service@liaoningqingyuan.com

Facebook
Twitter
Google+
LinkedIn
Pinterest

星空买球·(中国)官方网站
星空买球·(中国)官方网站
  • 网站首页
  • 公司简介
  • 产品中心
    • 缓冲器
      • 星空买球·(中国)官方网站
      • 星空买球·(中国)官方网站
      • 复合缓冲器
      • 聚氨酯缓冲器
      • 弹簧缓冲器
      • 橡胶缓冲器
      • 液气缓冲器
      • 气混星空买球·(中国)官方网站
    • 橡胶护舷
      • 超级鼓型橡胶护舷
      • 超级锥型橡胶护舷
      • 超级拱形橡胶护舷
      • 圆筒形橡胶护舷
      • D型橡胶护舷
      • 充气橡胶护舷
      • 漂浮型护舷
      • 拖轮橡胶护舷
      • 方型橡胶护舷
      • GD型橡胶护舷
      • ME型橡胶护舷
      • W型护舷
      • 转动护舷
      • 橡胶梯
    • 防冲板
    • 系船柱
      • 单柱式系船柱
      • T型系船柱
    • 相关配件
  • 项目案例
    • 项目案例
  • 新闻中心
  • 下载中心
  • 星空买球·(中国)官方网站
  • English

超级鼓型橡胶护舷配件

网站首页 产品中心 相关配件 超级鼓型橡胶护舷配件
超级鼓型橡胶护舷配件
超级鼓型橡胶护舷配件

超级鼓型橡胶护舷配件

  • 产品编号:Fendersys-SC-1
  • 立刻联系

    详细介绍

    预埋件(连接橡胶护舷与码头)

    1. 新建码头

    图片5.jpg

    规格

    1.螺栓

    2. 预埋螺母 3. 地脚杆4. 地脚板

    5.垫片

    D

    H

    J

    S

    e

    a

    b

    L

    T

    G

    m

    N

    n

    P

    Q

    U

    R

    V

    SC800

    32

    22

    85

    70

    42

    85

    120

    360

    9

    80

    70

    24

    117

    35

    77

    5

    15

    36

    SC1000

    39

    26

    95

    75

    50

    85

    125

    430

    9

    85

    80

    26

    148

    40

    102

    6

    15

    43

    SC1150

    42

    26

    100

    80

    55

    85

    125

    500

    12

    90

    85

    28

    151

    43

    102

    6

    25

    46

    SC1250

    45

    30

    110

    90

    60

    95

    140

    500

    12

    110

    90

    31

    153

    45

    102

    6

    25

    49

    SC1450

    52

    35

    120

    95

    70

    100

    150

    570

    12

    120

    100

    31

    158

    50

    102

    6

    30

    56

    SC1600

    52

    35

    135

    95

    70

    100

    150

    570

    12

    120

    100

    34

    158

    50

    102

    6

    30

    56

    SC1700

    56

    35

    135

    110

    75

    105

    165

    620

    16

    125

    110

    38

    165

    55

    102

    8

    30

    63

    SC2000

    64

    40

    150

    125

    80

    125

    190

    700

    16

    130

    116

    40

    168

    58

    102

    8

    40

    70

    SC2250

    64

    40

    150

    125

    80

    125

    190

    700

    16

    130

    120

    43

    195

    60

    127

    8

    40

    70

    SC2500

    64

    40

    170

    125

    80

    125

    190

    700

    16

    130

    125

    50

    202

    65

    127

    10

    50

    70

    SC3000

    76

    50

    190

    145

    95

    135

    210

    800

    19

    155

    140

    55

    207

    70

    127

    10

    50

    84

    2.码头维修

    图片9.jpg

    规格型号

    MD

    螺母

               垫片

    树脂螺栓

    H

    m

    N

    n

    P

    U

    V

    R

    a

    L

    A

    SC800

    M24

    22

    65

    25

    117

    35

    5

    28

    15

    65

    280

    30

    SC1000

    M30

    26

    80

    26

    148

    40

    6

    34

    25

    75

    360

    38

    SC1150

    M36

    30

    85

    28

    151

    43

    6

    40

    25

    90

    440

    46

    SC1250

    M36

    30

    90

    30

    153

    45

    6

    40

    30

    95

    440

    46

    SC1450

    M42

    34

    100

    34

    158

    50

    6

    46

    30

    100

    510

    55

    SC1600

    M42

    34

    100

    34

    158

    50

    6

    46

    30

    100

    510

    55

    SC1700

    M42

    34

    105

    40

    165

    55

    8

    46

    30

    110

    510

    55

    SC2000

    M48

    38

    115

    40

    170

    60

    8

    52

    40

    120

    600

    60

    SC2250

    M56

    45

    115

    40

    195

    60

    8

    60

    40

    130

    700

    65

    SC2500

    M56

    45

    115

    50

    197

    60

    10

    80

    50

    145

    700

    65

    SC3000

    M56

    45

    140

    55

    182

    70

    10

    60

    50

    160

    900

    65

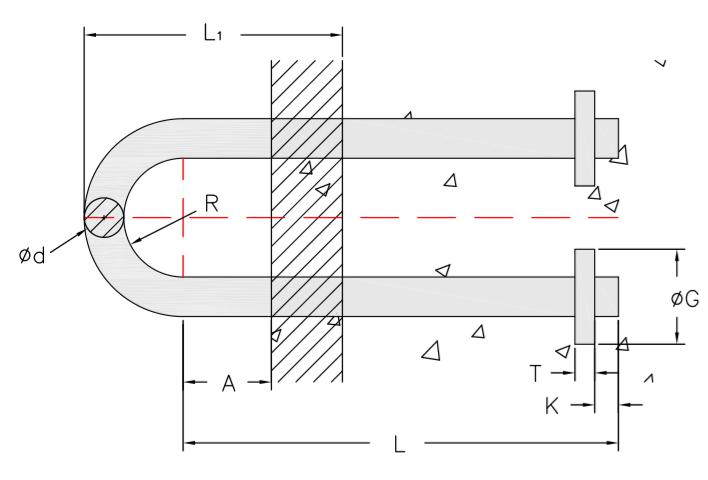
    U型环

    U型环.jpg

    规格

    d

    R

    L1

    A

    L

    T

    K

    G

    SC800

    50

    75

    250

    70

    650

    30

    30

    120

    SC1000

    60

    75

    250

    70

    750

    30

    30

    120

    SC1150

    60

    75

    250

    70

    750

    30

    30

    120

    SC1250

    60

    90

    250

    70

    790

    30

    30

    120

    SC1450

    60

    90

    250

    70

    850

    30

    30

    120

    SC1600

    60

    90

    250

    70

    900

    30

    30

    120

    SC1700

    70

    90

    250

    70

    1100

    30

    30

    120

    SC2000

    70

    90

    250

    70

    1220

    30

    30

    130

    SC2250

    80

    120

    300

    70

    1300

    30

    30

    160

    SC2500

    80

    120

    300

    70

    1400

    30

    30

    160

    SC3000

    90

    130

    320

    80

    1500

    30

    30

    180

    链条

    链条.jpg

    规格型号

    卸扣

    链环

    螺旋扣

    SC800

    M25

    Ø25

    M36

    SC1000

    M32

    Ø28

    M39

    SC1150

    Ø32

    M42

    SC1250

    M36

    Ø34

    M45

    SC1450

    M38

    Ø36

    M48

    SC1600

    Ø38

    M52

    SC1700

    M42

    Ø40

    M56

    SC2000

    M45

    Ø42

    SC2250

    SC2500

    M50

    Ø46

    M60

    SC3000

    弹簧链

    弹簧链.jpg

    规格型号

    卸扣

    链环

    橡胶弹簧框架

    橡胶弹簧块

    螺旋扣

    SC800

    M25

    Φ25

    Φ32

    100×100×150

    M36

    SC1000

    M28

    Φ28

    Φ32

    100×100×150

    M36

    SC1150

    M28

    Φ28

    Φ32

    100×100×150

    M36

    SC1250

    M28

    Φ28

    Φ32

    100×100×150

    M36

    SC1450

    M30

    Φ30

    Φ32

    100×100×150

    M36

    SC1600

    M30

    Φ30

    Φ42

    150×150×200

    M42

    SC1700

    M34

    Φ34

    Φ42

    150×150×200

    M42

    SC2000

    M36

    Φ36

    Φ42

    150×150×200

    M48

    SC2250

    M36

    Φ36

    Φ42

    150×150×200

    M48

    SC2500

    M38

    Φ40

    Φ52

    150×150×200

    M52

    SC3000

    M42

    Φ42

    Φ52

    150×150×200

    M56























    星空买球·(中国)官方网站





    相关产品

    圆筒形橡胶护舷配件

    圆筒形橡胶护舷配件

    超级拱形橡胶护舷配件

    超级拱形橡胶护舷配件

    超级锥型橡胶护舷配件

    超级锥型橡胶护舷配件

    产品分类

    • 缓冲器
      • 星空买球·(中国)官方网站
      • 星空买球·(中国)官方网站
      • 复合缓冲器
      • 聚氨酯缓冲器
      • 弹簧缓冲器
      • 橡胶缓冲器
      • 液气缓冲器
      • 气混星空买球·(中国)官方网站
    • 橡胶护舷
      • 超级鼓型橡胶护舷
      • 超级锥型橡胶护舷
      • 超级拱形橡胶护舷
      • 圆筒形橡胶护舷
      • D型橡胶护舷
      • 充气橡胶护舷
      • 漂浮型护舷
      • 拖轮橡胶护舷
      • 方型橡胶护舷
      • GD型橡胶护舷
      • ME型橡胶护舷
      • W型护舷
      • 转动护舷
      • 橡胶梯
    • 防冲板
    • 系船柱
      • 单柱式系船柱
      • T型系船柱
    • 相关配件

    最新动态

    • 使用橡胶护舷的优势
      3/24
    • 橡胶护舷运用行业
      3/11
    • 缓冲器的使用运行
      2/19

    订阅我们

    欢迎订阅我们的电子邮件通讯,获取我们的最新产品和新闻信息!

    星空买球·(中国)官方网站

     

     024-54077398

     +86 189 6952 1763

    service@liaoningqingyuan.com

     fendersys@hotmail.com

     辽宁抚顺大柳工业园区

    微信二维码

    Deutsch Espanol Francais Italiano Portugues Japanese Korean Arabic Russian

    版权所有:星空买球·(中国)官方网站 备案号:辽ICP备2020011507号

    立刻联系!
    立刻联系!





    LEDONG.COM | 九游体育官方入口 | 九游中国有限公司官网 | 8XBET平台 | 多宝app官网 | 乐鱼·体育 | od官方网站_od(中国) | 开云足球体育_开云足球(中国) | 九游平台_九游(中国) |