service@liaoningqingyuan.com

Facebook
Twitter
Google+
LinkedIn
Pinterest

星空买球·(中国)官方网站
星空买球·(中国)官方网站
  • 网站首页
  • 公司简介
  • 产品中心
    • 缓冲器
      • 星空买球·(中国)官方网站
      • 星空买球·(中国)官方网站
      • 复合缓冲器
      • 聚氨酯缓冲器
      • 弹簧缓冲器
      • 橡胶缓冲器
      • 液气缓冲器
      • 气混星空买球·(中国)官方网站
    • 橡胶护舷
      • 超级鼓型橡胶护舷
      • 超级锥型橡胶护舷
      • 超级拱形橡胶护舷
      • 圆筒形橡胶护舷
      • D型橡胶护舷
      • 充气橡胶护舷
      • 漂浮型护舷
      • 拖轮橡胶护舷
      • 方型橡胶护舷
      • GD型橡胶护舷
      • ME型橡胶护舷
      • W型护舷
      • 转动护舷
      • 橡胶梯
    • 防冲板
    • 系船柱
      • 单柱式系船柱
      • T型系船柱
    • 相关配件
  • 项目案例
    • 项目案例
  • 新闻中心
  • 下载中心
  • 星空买球·(中国)官方网站
  • English

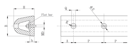
D型橡胶护舷

网站首页 产品中心 D型橡胶护舷 D型橡胶护舷
D型橡胶护舷
D型橡胶护舷

D型橡胶护舷

  • 产品编号:Fendersys-D
  • 产品主要特征:

    1. 尺寸齐全,可以根据客户要求加工生产;

    2. 安装方式多样化;

    3. 颜色为黑色或灰色;

    产品主要应用:

    1. 小型码头;

    2. 拖轮和施工船;

    立刻联系

    详细介绍

    产品性能曲线:

    image.png

    规格尺寸

    压缩变形

    反力

    KN

    吸能量

    KN.M

    D200x200x1000

     

    50%

    147

    5.1

    D300X300X1000

    294

    12

    D300X360X1000

    324

    14

    D400X400X1000

    383

    20

    D500X500X1000

    451

    31

    说明:性能公差±10%

    星空买球·(中国)官方网站





    相关产品

    D型橡胶护舷

    D型橡胶护舷

    产品分类

    • 缓冲器
      • 星空买球·(中国)官方网站
      • 星空买球·(中国)官方网站
      • 复合缓冲器
      • 聚氨酯缓冲器
      • 弹簧缓冲器
      • 橡胶缓冲器
      • 液气缓冲器
      • 气混星空买球·(中国)官方网站
    • 橡胶护舷
      • 超级鼓型橡胶护舷
      • 超级锥型橡胶护舷
      • 超级拱形橡胶护舷
      • 圆筒形橡胶护舷
      • D型橡胶护舷
      • 充气橡胶护舷
      • 漂浮型护舷
      • 拖轮橡胶护舷
      • 方型橡胶护舷
      • GD型橡胶护舷
      • ME型橡胶护舷
      • W型护舷
      • 转动护舷
      • 橡胶梯
    • 防冲板
    • 系船柱
      • 单柱式系船柱
      • T型系船柱
    • 相关配件

    最新动态

    • 使用橡胶护舷的优势
      3/24
    • 橡胶护舷运用行业
      3/11
    • 缓冲器的使用运行
      2/19

    订阅我们

    欢迎订阅我们的电子邮件通讯,获取我们的最新产品和新闻信息!

    星空买球·(中国)官方网站

     

     024-54077398

     +86 189 6952 1763

    service@liaoningqingyuan.com

     fendersys@hotmail.com

     辽宁抚顺大柳工业园区

    微信二维码

    Deutsch Espanol Francais Italiano Portugues Japanese Korean Arabic Russian

    版权所有:星空买球·(中国)官方网站 备案号:辽ICP备2020011507号

    立刻联系!
    立刻联系!





    LEDONG.COM | 九游体育官方入口 | 九游中国有限公司官网 | 8XBET平台 | 多宝app官网 | 乐鱼·体育 | od官方网站_od(中国) | 开云足球体育_开云足球(中国) | 九游平台_九游(中国) |